适用设备:振动筛分设备、振动输送机、振动给料机、振动放矿机、振动干燥设备、振动落砂机、振实台、料仓振动防闭塞装置等各种振动机械设备理想的动力源和激振源。
YZUL系列振动电机产品广泛用于冶金、矿山、煤炭、化工、 电力、建材、铸造、磨料、陶瓷、玻璃、粮食、食品、医药、轻工等行业,是振动筛分设备、振动输送机、振动给料机、振动放矿机、振动干燥设备、振动落砂机、振实台、料仓振动防闭塞装置等各种振动机械设备理想的动力源和激振源。
海拔高度不超过1000米,环境温度不超过40宅,相对湿度不超过90%(温度不超过25它时),否则应降低功率使用;主机激振功率和运行电流不超过铭牌数值,否则应降低激振力使用。
振动电机由特制电机外加激振重块组成。当电机通电旋转时,激振块产生激 振力,通过电机底脚或法兰盘传递纵横振动机械。
特制电机由特制定子线包和转子轴组成,能承受高频振动;立式振动电机,采用两块偏心块作为激振块,两轴端各—块,上轴端为固定偏心块,下轴端为可调偏心块。在上下偏心块的端部各装有一组配重块,通过调节配重块的数量,可以分级调节振动电机的激振力;卧式振动电机采用四块扇形偏心块作激振块,调节同轴端两块偏心块的夹角,可以从零至大调节振动电机的激振力。
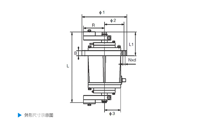
| 规格型号 | 额定激振力(kN) | 转速(r.p.m) | 额定功率(kW) | 电流(A) | 安装及外形尺寸(mm) | 重量(kg) | |||||||
| Φ1 | Φ2 | Φ3 | B | n-Φd | L | L1 | R | ||||||
| YZUL-3-4 | 3 | 1450 | 0.18 | 0.7 | 220 | 200 | 154 | 20 | 4-12 | 223 | 74 | 53 | 19 |
| YZUL-5-4 | 5 | 1450 | 0.25 | 0.74 | 240 | 210 | 165 | 22 | 6-12 | 297 | 102 | 105 | 35 |
| YZUL-8-4 | 8 | 1450 | 0.55 | 1.5 | 270 | 235 | 195 | 24 | 6-14 | 343 | 125 | 175 | 50 |
| YZUL-20-4 | 20 | 1450 | 1.1 | 2.6 | 313 | 265 | 220 | 35 | 8-18 | 425 | 128 | 225 | 70 |
| YZUL-30-4 | 30 | 1450 | 1.5 | 3.6 | 360 | 315 | 255 | 35 | 8-22 | 458 | 145 | 230 | 100 |
| YZUL-50-4 | 50 | 1450 | 2.2 | 8 | 440 | 390 | 325 | 35 | 8-26 | 582 | 235 | 235 | 190 |