适用设备:振动筛分设备、振动输送机、振动给料机、振动放矿机、振动干燥设备、振动落砂机、振实台、料仓振动防闭塞装置等各种振动机械设备理想的动力源和激振源。
YZO系列振动电机产品广泛用于冶金、矿山、煤炭、化工、 电力、建材、铸造、磨料、陶瓷、玻璃、粮食、食品、医药、轻工等行业,是振动筛分设备、振动输送机、振动给料机、振动放矿机、振动干燥设备、振动落砂机、振实台、料仓振动防闭塞装置等各种振动机械设备理想的动力源和激振源。
海拔高度不超过1000米,环境温度不超过40宅,相对湿度不超过90%(温度不超过25它时),否则应降低功率使用;主机激振功率和运行电流不超过铭牌数值,否则应降低激振力使用。
应用范围:振动筛分设备、振动输送机、振动给料机、振动放矿机、振动干燥设备、振动落砂机、振实台、料仓振动防闭塞装置等各种振动机械设备理想的动力源和激振源。
振动电机由特制电机外加激振重块组成。当电机通电旋转时,激振块产生激 振力,通过电机底脚或法兰盘传递纵横振动机械。
特制电机由特制定子线包和转子轴组成,能承受高频振动;立式振动电机,采用两块偏心块作为激振块,两轴端各—块,上轴端为固定偏心块,下轴端为可调偏心块。在上下偏心块的端部各装有一组配重块,通过调节配重块的数量,可以分级调节振动电机的激振力;卧式振动电机采用四块扇形偏心块作激振块,调节同轴端两块偏心块的夹角,可以从零至大调节振动电机的激振力。
| 规格型号 | 额定激振力(kN) | 额定功率(kW) | 电流(A) | 转速(r.p.m) | 安装尺寸(mm) | 外形尺寸(mm) | 重量(kg) | |||||||
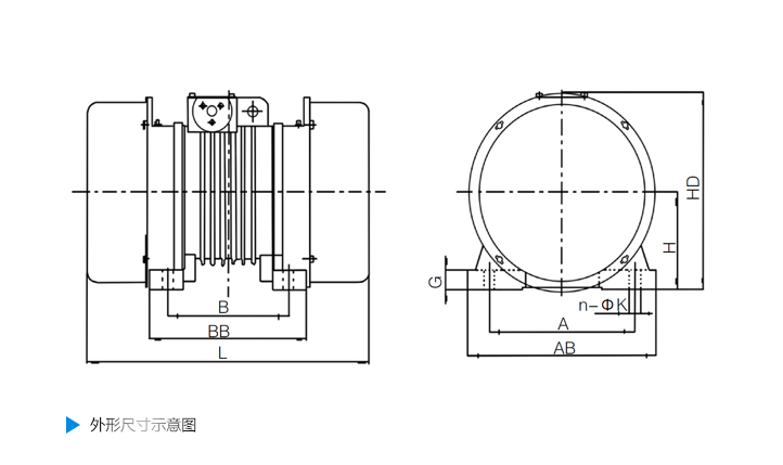
| A | B | K | G | AB | BB | H | L | HD | ||||||
| YZO-0.7-2 | 0.7 | 0.075 | 0.25 | 2930 | 180 | 126 | 11 | 25 | 220 | 152 | 80 | 293 | 200 | 16 |
| YZO-1.5-2 | 1.5 | 0.15 | 0.45 | 180 | 126 | 11 | 25 | 220 | 152 | 80 | 293 | 200 | 18 | |
| YZO-2.5-2 | 2.5 | 0.25 | 0.8 | 180 | 140 | 13 | 32 | 220 | 170 | 80 | 307 | 200 | 22 | |
| YZO-5-2 | 5 | 0.4 | 1.25 | 220 | 175 | 15 | 30 | 272 | 210 | 90 | 370 | 220 | 36 | |
| YZO-8-2 | 8 | 0.75 | 2 | 235 | 180 | 19 | 25 | 315 | 250 | 140 | 477 | 295 | 56 | |
| YZO-8-2a | 8 | 0.75 | 2 | 255 | 180 | 19 | 25 | 315 | 250 | 140 | 477 | 295 | 56 | |
| YZO-16-2 | 16 | 1.5 | 4.5 | 270 | 224 | 21 | 35 | 352 | 305 | 170 | 525 | 355 | 95 | |
| YZO-1.2-4 | 1.2 | 0.12 | 0.4 | 1460 | 180 | 126 | 11 | 25 | 220 | 152 | 80 | 285 | 200 | 17 |
| YZO-2.5-4 | 2.5 | 0.18 | 0.5 | 180 | 140 | 13 | 25 | 220 | 170 | 80 | 310 | 200 | 26 | |
| YZO-5-4 | 5 | 0.25 | 0.65 | 220 | 175 | 15 | 30 | 272 | 210 | 90 | 430 | 210 | 42 | |
| YZO-8-4 | 8 | 0.4 | 1.3 | 235 | 180 | 19 | 25 | 315 | 250 | 140 | 472 | 295 | 60 | |
| YZO-10-4 | 10 | 0.55 | 1.5 | 235 | 180 | 19 | 25 | 315 | 250 | 140 | 477 | 295 | 69 | |
| YZO-16-4 | 16 | 0.75 | 2.3 | 270 | 224 | 21 | 35 | 352 | 305 | 170 | 527 | 355 | 106 | |
| YZO-16-4a | 16 | 0.75 | 2.3 | 280 | 224 | 21 | 35 | 352 | 305 | 170 | 527 | 355 | 106 | |
| YZO-20-4 | 20 | 1.1 | 2.7 | 270 | 224 | 21 | 35 | 352 | 305 | 170 | 527 | 355 | 120 | |
| YZO-32-4 | 32 | 1.5 | 5.3 | 340 | 230 | 31 | 40 | 445 | 310 | 200 | 575 | 425 | 155 | |
| YZO-32-4a | 32 | 1.5 | 5.3 | 340 | 230 | 31 | 40 | 445 | 310 | 200 | 575 | 425 | 155 | |
| YZO-50-4 | 50 | 2.2 | 6.5 | 390 | 195 | 33 | 43 | 480 | 343 | 220 | 575 | 480 | 215 | |
| YZO-2.5-6 | 2.5 | 0.25 | 0.8 | 960 | 220 | 146 | 13 | 30 | 270 | 180 | 90 | 340 | 216 | 35 |
| YZO-3-6 | 3 | 0.25 | 0.9 | 220 | 175 | 15 | 30 | 272 | 210 | 90 | 430 | 210 | 45 | |
| YZO-5-6 | 5 | 0.4 | 1.25 | 220 | 175 | 15 | 35 | 270 | 210 | 120 | 430 | 245 | 45 | |
| YZO-10-6 | 10 | 0.75 | 2.3 | 235 | 180 | 19 | 25 | 315 | 250 | 140 | 493 | 295 | 78 | |
| YZO-10-6a | 10 | 0.75 | 2.3 | 255 | 180 | 19 | 25 | 315 | 250 | 140 | 493 | 295 | 78 | |
| YZO-15-6 | 15 | 1.1 | 3 | 235 | 180 | 19 | 25 | 315 | 250 | 140 | 530 | 295 | 89 | |
| YZO-20-6 | 20 | 1.5 | 4.6 | 270 | 224 | 21 | 35 | 352 | 305 | 170 | 530 | 355 | 133 | |
| YZO-20-6a | 20 | 1.5 | 4.6 | 290 | 224 | 21 | 35 | 352 | 305 | 170 | 530 | 355 | 133 | |
| YZO-25-6 | 25 | 1.8 | 5 | 270 | 224 | 21 | 35 | 352 | 305 | 170 | 550 | 355 | 140 | |
| YZO-30-6 | 30 | 2.2 | 6.5 | 350 | 180 | 31 | 40 | 445 | 310 | 200 | 530 | 425 | 196 | |
| YZO-40-6 | 40 | 3 | 8 | 350 | 180 | 31 | 40 | 445 | 310 | 200 | 580 | 425 | 204 | |
| YZO-50-6 | 50 | 3.7 | 9.6 | 390 | 195 | 33 | 43 | 480 | 343 | 220 | 575 | 480 | 250 | |
| YZO-50-6a | 50 | 3.7 | 9.6 | 390 | 222 | 33 | 43 | 480 | 343 | 220 | 575 | 480 | 250 | |
| YZO-75-6 | 75 | 5.5 | 14.6 | 440 | 248 | 36 | 48 | 520 | 400 | 220 | 726 | 500 | 380 | |